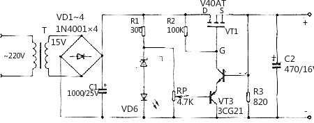
V-MOS功率場效應管作調整管的穩壓電源。直流輸出電壓可在1.25V~12V連續可調,輸出電流為50mA(須裝10平方厘米散熱器)時,電壓波動不超過0.3%,適合各類小電器使用。
場效管直流穩壓電路圖電流原理
下圖是該穩壓器的原理圖,其原理和普通串聯型穩壓器上午電源基本相同,不同的是使用了場效應作調整管,因不需大電流推動,所以使電路簡化,成本降低,而穩壓性能卻有所提高。 圖中電阻R1、RP、VD5、LED組成連續可調恒壓源,為VT3基極提供基準電壓。R1為限流電阻;RP為4.7K帶開關電位器,VD5為9~10.5V穩壓管;VD6為紅色發光管;VD5與VD6的串聯穩壓值決定了穩壓電源的最大輸出電壓;VD6還兼作電源指示和負載電流大小指示,一管多用,穩壓電源工作電流越大時,發光管越暗。


圖 場效管直流穩壓電路圖
場效管直流穩壓電路圖關直流穩壓電源電路,能提供3~15 V直流電壓,最大電流為150 mA,可滿足小型電子設備的供電需要。
場效管開關直流穩壓電源電路
該開關直流穩壓電源電路由整流濾波電路、開關控制電路和穩壓電路組成,如圖所示。


圖采用場效應管的開關直流穩壓電源電路
整流濾波電路由整流橋堆UR、整流二極管VD1、VD2和濾波電容C1、C3組成;場效管直流穩壓電路圖開關控制電路由電阻R2、R4、穩壓二極管VS1和場效應晶體管VF組成;穩壓電路由電阻R1、R3、R5、穩壓二極管VS2、晶體管V、二極管VD3、濾波電容C2和三端穩壓集成電路IC1、IC2組成。
交流220 V電壓經UR整流、C3濾波后,一路經VD1、R2加至VF的漏極,另一路經VD2、R4加至VF的柵極,使VF導通。
剛接通電源時,RP中心抽頭上的電壓較低,VD3和V均處于截止狀態,VF源極的輸出電壓開始對C2快速充電。當RP中心抽頭上的電壓升至一定值時,VD3和V均導通,使VF截止,停止對C2充電。
調節RP的阻值,即可改變C2的充電時間,從而調節輸出電壓的高低。
當需要穩定的+9V電壓和+12 V電壓時,可將C2兩端電壓調至15 V,該電壓經IC1和IC2穩壓后,即可產生+9V和+12 V電壓。
該開關穩壓電路無隔離措施,底板帶電,使用時應注意安全。
烜芯微專業制造二三極管,MOS管,20年,工廠直銷省20%,1500家電路電器生產企業選用,專業的工程師幫您穩定好每一批產品,如果您有遇到什么需要幫助解決的,可以點擊右邊的工程師,或者點擊銷售經理給您精準的報價以及產品介紹
烜芯微專業制造二三極管,MOS管,20年,工廠直銷省20%,1500家電路電器生產企業選用,專業的工程師幫您穩定好每一批產品,如果您有遇到什么需要幫助解決的,可以點擊右邊的工程師,或者點擊銷售經理給您精準的報價以及產品介紹

