什么是升壓電路
升壓電路,是利用自舉升壓二極管,自舉升壓電容等電子元件,使電容放電電壓和電源電壓疊加,從而使電壓升高,有的電路升高的電壓能達到數倍電源電壓。
升壓電路的制作及電路圖
12V升壓電路的制作及電路圖
這個電路采用UC3843制作的升壓電路,電壓輸入為12V升壓電壓從22V到190V之間可以調整。這個電路適合做火箭或煙花的點火裝置。制作這個電路風險自負。

制作好的電路板

電路原理圖

PCB圖
直流3v→5v的升壓電路原理
直流升壓電路都是利用電感電流不能突變特性來工作,3V=》5V這樣的電路通常都用BOOST升壓結構電路。如下圖:

1、在電路中,Q開通后3V電壓經過電感L 到三極管Q 形成電流回路。這個時候電能在電感里面轉換為磁能,形成能量儲存回路,時間長短決定能量轉換多少,前提是電感別飽和就好。
2、當三極管Q關閉后,原有電流回路斷開。電感由于電流不能突變,所以L上面的電流通路只能通過二極管流動,這個時候因為電感沒有充電回路了,所以電流只能從磁能轉變過來。這個時候電感的自站在3V的基礎上面通過D到電容C,再到地形成能量釋放回路。
3、能量釋放過程中,電容被充電,充電多少由電感儲存的能量決定。而電感儲存的能量又是由三極管Q開通時間決定,所以檢測控制電路IC內部做個電壓比較,如果電容電壓沒有充到5V,下次開通時間就長些,如果電壓接近5V,下次開通時間短些,以此來調整輸出電壓。
所以,整個電路原理都是利用電感電流特性完成。
另外,還有一種電容式升壓電路,那個就是靠自舉電路完成,利用的是電容電荷量轉移。
就像是用一個小水桶裝水,然后提起來倒進第大桶,大桶對外放水,大桶里水位高低就看小桶倒的快慢。這種電路工作電流都比較小的場合使用,開關速度要非常高。

12v升220v升壓電路圖
升壓器12v升220v電路其實就是一個震蕩電路,就是把直流電變成交流電,然后通過變壓器升壓變成220V,然后在輸出端接上用電器即可。
12v轉220v逆變器由逆變電路、邏輯控制電路、濾波電路三大部分組成,主要包括輸入接口、電壓啟動回路、MOS開關管、PWM控制器、直流變換回路、反饋回路、LC振蕩及輸出回路、負載等部分。
控制電路控制整個系統的運行,逆變電路完成由直流電轉換為交流電的功能,濾波電路用于濾除不需要的信號,逆變器的工作過程就是這樣子的了。其中逆變電路的工作還可以細化為:首先,振蕩電路將直流電轉換為交流電;其次,線圈升壓將不規則交流電變為方波交流電;最后,整流使得交流電經由方波變為正弦波交流電。
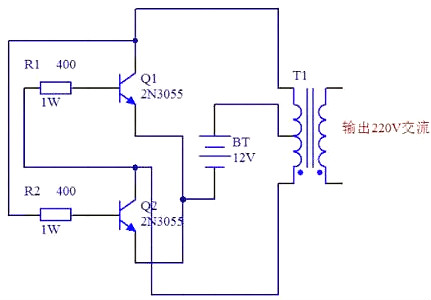
升壓器12v升220v電路圖(一)
原理圖如下圖所示,采用了功率較大的三極管2N3055,而電阻只用了兩個,且最好電阻的功率選大一點,這樣電路的輸出功率也會相應地增加,上圖中用的是1W的400歐姆電阻,如果沒有1W的也沒關系,現在用到的最多的是1/4W的電阻,只要選擇四個電阻并聯大約是400Ω就可以了。

升壓器12v升220v電路圖(二)

升壓器12v升220v電路圖(三)
如下圖,我們也可以清楚看到需的元件還有各個元件之間的連接情況,在電路功能上,除了變壓器T1用來升壓,電源V1用來供電之外,剩下的原件就是產生矩形波的電路。在電阻選擇上R1和R2一般在1.2k-4.7k之間,三極管無特別要求根據變壓器的容量選擇,容量大就用功率大點的;變壓器可用普通控制變壓器,只要有兩組12V就行,我們這個原理圖中選擇器件為變壓器0v-12V-12V,三極管用的達林頓管MJ11032,電阻4.7k,輸出功率能夠達到百瓦左右,也不算小了,不過變壓器的功率要選大點了,否則輸出功率沒有那么大。

升壓器12v升220v電路圖(四)
此逆變器主要由MOS場效應管,普通電源變壓器構成。其輸出功率取決于MOS場效應管和電源變壓器的功率。

12V直流升壓到220V交流的電路圖(五)
電路圖中:25T 310T 20T 250T是變壓器線圈的繞組匝數,VT1是大功率三極管,可使用電視機電源管,R1的電阻是15-50Ω/5w,R4的電阻470Ω3W

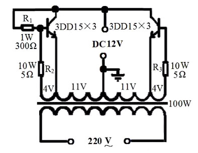
12V直流升壓到220V交流的電路圖(六)
變壓器可選用一個100W機床控制變壓器,將變壓器鐵芯拆開,再將次級線圈拆下來,并記錄匝數,以便于計算每伏圈數。然后用φ1.35mm的漆包線重新繞次級線圈,先繞一個22V的主線圈,在中間抽頭,再用φ0.47的漆包線繞兩個4V的反饋線圈,線圈的層間用較厚的牛皮紙絕緣。線圈繞好后插上鐵芯,將兩個4V次級分別和主線圈連在一起,注意頭尾的別接反了。可通電測電壓,如果4V線圈和主線圈連接后電壓增加說明連接正確,反之就是錯的,可換一下接頭就可以了。
與4V線圈串聯的兩個電阻R2、R3可用電阻絲制作,可根據輸出功率大小選擇電阻的大小,一般為幾歐姆,輸出功率大時,電阻越小,偏流電阻用1W300Ω的電阻,不接這個電阻也能工作,但由于管子的參數不一致有時不起振,最好接一個。
三極管的選擇:每邊用三只3DD15并聯,共用六只管子,電路連接好后檢查無錯誤,就可以通電調整了,接上蓄電池,找一個100W的白熾燈做負載,打開開關,燈泡應該能正常發光,如果不能正常發光,可減小基極的電阻,直到能正常發光為止,再接上彩電看能否正常啟動,不能正常啟動也是減小基極的電阻,調整完畢后就可以正常使用了。

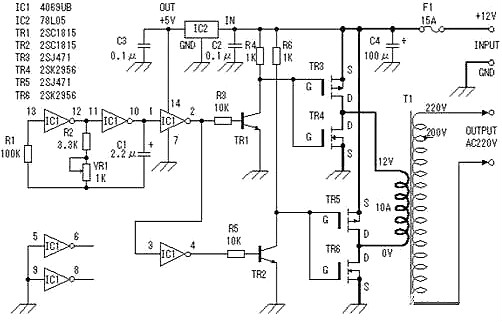
直流12V轉220V交流逆變器電路圖 (500W)(七)
此直流12V轉220V交流逆變器電路可以轉換為12V直流轉220伏交流。CD4047是用來產生方波。 基本公式為P =VI輸入輸出之間的變壓器,輸入功率=輸出功率 因此,變壓器12V到220伏,但輸入繞組必須能夠承受20A。

烜芯微專業制造二極管,三極管,MOS管,20年,工廠直銷省20%,1500家電路電器生產企業選用,專業的工程師幫您穩定好每一批產品,如果您有遇到什么需要幫助解決的,可以點擊右邊的工程師,或者點擊銷售經理給您精準的報價以及產品介紹

