快恢復二極管分別有TO-220AB(鐵封)、TO-220AB(塑封)、TO-247、TO-252、TO-263等封裝。快恢復二極管的封裝選擇主要是受功率影響較大,一般情況下是根據電流參數來決定封裝的選取。
1、MUR1640(16A400V)只能做一下幾種封裝:TO-220的鐵封和塑封、TO-252。Type封裝所屬分類MUR1640FCTITO-220AB快恢復二極管MUR1640CTTO-220AB快恢復二極管MUR1640CSTO-252快恢復二極管,因為16A的電流比較少,沒有必要做到TO-3P和TO-263的封裝,如果你選擇的管子電流在20A以下,可以選擇這三種封裝的一種。有加散熱條件的建議用TO-220鐵封,散熱會更快哦。
2、50A電流以上的快恢復二極管,只能選擇TO-3P啦,因為TO-3P的體積比較大,能滿足因為電流比較大,芯片面積就變大的要求,而且散熱也比較好。如果做的是大功率管,電流要求大可以選用這種封裝。
3、電流在20-50A之間的快恢復二極管,可以做的封裝有TO-263、TO-220AB、TO-220AB、TO-3P。如果成本有要求的可以選擇TO-220 ,想要價格合適,散熱好的,就用TO-263,如果電流不是很大的一般不建議用TO-3P,因為這個封裝的價格貴。
4.現在設計應用中都要求電子元件具有電絕緣和優良熱性能,且須易于組裝。對于這些應用領域而言, 海烜芯微科技SOT78D封裝(內絕緣TO220)、SOT98A封裝(內絕緣TO-3P)是比較合適的選擇。優化的芯片焊接和封裝技術使SOT78D、SOT98A能提供較低的PN結到散熱片熱阻,最終使二極管在大功率應用中以較低溫度運作,且表現穩定可靠。
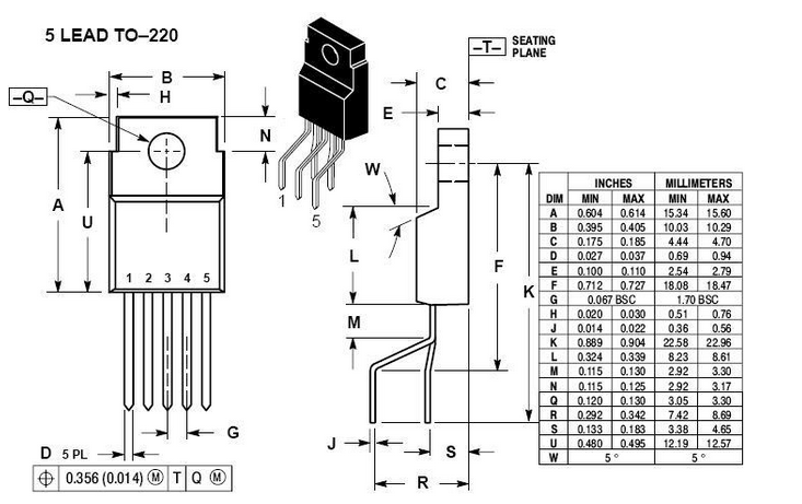
快恢復二極管常見封裝尺寸:


快恢復二極管封裝to-220尺寸與結構圖

快恢復二極管封裝TO-3P尺寸與結構圖
烜芯微專業制造二極管,三極管,MOS管,橋堆20年,工廠直銷省20%,1500家電路電器生產企業選用,專業的工程師幫您穩定好每一批產品,如果您有遇到什么需要幫助解決的,可以點擊右邊的工程師,或者點擊銷售經理給您精準的報價以及產品介紹
烜芯微專業制造二極管,三極管,MOS管,橋堆20年,工廠直銷省20%,1500家電路電器生產企業選用,專業的工程師幫您穩定好每一批產品,如果您有遇到什么需要幫助解決的,可以點擊右邊的工程師,或者點擊銷售經理給您精準的報價以及產品介紹

