直流升壓電路簡介
直流升壓電路就是將電池提供的較低的直流電壓,提升到需要的電壓值,其基本的工作過程都是:高頻振蕩產生低壓脈沖——脈沖變壓器升壓到預定電壓值——脈沖整流獲得高壓直流電,因此直流升壓電路屬于DC/DC電路的一種類型。
電感式的直流升壓電路詳解
下面是介紹電感式的直流升壓電路,電感器是能夠把電能轉化為磁能而存儲起來的元件,電感器的結構類似于變壓器,但只有一個繞組。電感器具有一定的電感,它只阻礙電流的變化。電路接通時電感器將試圖阻礙電流流過,電路斷開時它將試圖維持電流不變。電感器又稱扼流器、電抗器等。

電感的第一個特性是電磁轉換,通電的瞬間,電會變為磁并以磁的形式儲存在電感內。而斷電的瞬磁會變成電,從電感中釋放出來。
電感的第二個特性是升壓特性,當回路斷開時,電感內的能量會以高電壓的形式變換回電。如果電感線圈的自感系數很大,自感電動勢就會很大,在很大的電勢差之間的空隙,會產生很強的電場,甚至會擊穿空氣發生放電現象。附近若有人,會對其造成一定危險,如果附近有易燃物質,就有發生著火的危險。
下面給出由電感組成的升壓電路最小系統,若不停地搬動開關,電感兩端就會感應出很高的電壓,并疊加在電源電壓之上。這個開關也可以用三極管實現,通過在三極管的基極輸入方波來控制三極管的開關,再利用二極管的單向導電性,輸出正向或負向高壓。

直流升壓電路講解
在電路設計中,很多元器件(如CPU)經常需要采用5V直流供電,而普通電池的電壓都是1.5V,因此當電路采用電池供電時,首先要解決的就是升壓降壓問題。
下面給出一種低成本的直流到直流(DC-DC)升壓電路,該升壓電路用DC/DC直流升壓變換器(E50D、TP8350)作為主控,只需外接電感、電容、二極管等4個元件,就能實現最低0.8V到5V的升壓,整個升壓電路的成本約0.5元。

5V升壓電路所需的元件

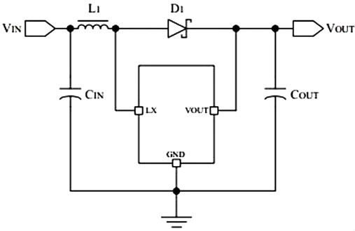
基于E50D/TP8350的直流升壓電路原理圖
其中,VIN為輸入電壓,來自電池的輸出,只要輸入電壓高于0.8V,就能保證升壓電路正常工作,并通過VOUT輸出5V電壓。升壓電路的工作效率約為85%,輸出電壓誤差小于2%。
升壓芯片E50D的工作頻率可達 300KHz,目的是為了能夠減小外部電感L1的尺寸,該電路只需 4.7uH 以上的電感就可以保證正常工作,但考慮到負載可能需要較大的電流,本例使用47uH、寄生串聯電阻小于0.5歐的電感。
輸入濾波電容CIN是為了保證輸出電壓穩定,由是采用電池供電,而且升壓電路距離電池很近,所以這里選用的是1uF電容,即使沒有輸入濾波電容,該DC-DC 升壓電路也可以輸出低紋波、低噪聲的直流電壓。
輸出端電容COUT采用100uF的電解電容。整流二極管D1對DC-DC升壓電路的效率影響很大,這里選用向導通電壓低、反應時間快的肖特基二極管SS34。
直流升壓電路-實驗步驟
實驗所需的全部元件
1、印刷電路板,一塊
2、升壓芯片TP8350/E50D,一片
3、47uH電感,一個
4、100uF電解電容,一個
5、1uF濾波電容,一個
6、5號電池盒,一個
7、電源開關,一個

升壓實驗全部元器件
1. 焊接元器件
由于選用的是貼片元件,首先需要大家把元件焊接在印刷電路板上,注意元件的焊接順序,以不影響后續元件的焊接為宜。
另外,很多元件是有方向性的,比如肖特基二極管SS34,電解電容等,不能焊接反了。貼片的焊接方法,網上有很多視頻教程。

電池盒不要焊接,裝好電池后直接插在印刷電路板上就行,注意電池的方向。因為這個電路板還可以焊接剩余的元件,如果現在焊接電池盒,電路板尾部USB接口處的元件就不好焊接了,整個電路板建議最后焊接電池盒。
2. 插入電池盒,測試升壓電路
電路焊接完成后,就可以插入電池盒,打開電源開關,用萬用表的直流電壓檔測試排插的VCC和GND處的電壓,應該是穩定的5V,說明升壓電路工作正常。
如果升壓電路不工作,一般是由于虛焊或者有的元件焊反了,請通電前仔細檢查。
下圖可以更明顯看出升壓電路的工作情況,其中電池部分加的是1.2V電壓,整個電路可以正常工作。

直流升壓電路大全
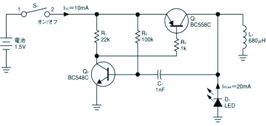
1.5V低成本LED驅動電路

磁環選用T9*5*3/2K,也可用T10*6*5等,用0.3mm漆包線雙線并繞20T,按圖中同名端連接.TR1選8050或9014,D1選4937或107,PCB用一片廢板自制.
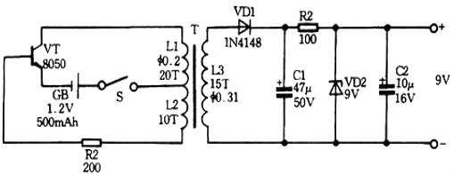
一種穩壓型直流升壓電路

該電路可將一節1.5V的電池升壓至9V,用來取代9V疊層電池使用.電路空載輸人電流低于1.2mA,轉換效率高達60%.該電路由振蕩電路和穩壓電路構成,其中VT1、VT2、C2組成振蕩器,色碼電感L為儲能電感,VD2為整流二極管,C3為輸出濾波電容,VT3、VD1、VD3及R2為穩定輸出電壓的穩壓電路.輸出電壓約等于VD3的穩壓值.
一種利用1.2V、500mAh的鎳鎘電池做電源的逆變電源電路

輸出直流電壓為9V,可供數字式萬用表使用.圖7-72中變壓器T利用15mm的磁環穿繞而成.(元器件參數圖均已標注,S為數字萬用表的電源開關.
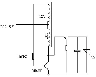
1.5V點亮LED

1.5V驅動LED的電路
R2可以減小到幾千歐,這個電路元件太多,不如試試下邊這個,線圈的圈數是我多次實驗的結果.還有人用2個8050并聯使用,據說效果不錯。


磁環使用6mm磁環,L1、L2用0.23mm漆包線繞8+8匝,L3、L4用0.18mm漆包線繞28+28匝驅動1W LED電流可以輕松超過450mA,甚至500mA,電路效率高于70%.
簡單LED驅動

烜芯微專業制造二極管,三極管,MOS管,橋堆等20年,工廠直銷省20%,1500家電路電器生產企業選用,專業的工程師幫您穩定好每一批產品,如果您有遇到什么需要幫助解決的,可以點擊右邊的工程師,或者點擊銷售經理給您精準的報價以及產品介紹

