本文首先總結了級聯H橋、NPC和FC多電平逆變器的工作原理和優缺點,并以七電平為例仿真驗證了關于器件開關頻率、器件電壓應力、輸出諧波含量等特點。接著研究了緊密型多電平逆變器的工作原理和控制策略,主要研究內容包括主電路拓撲、運行原理、控制策略、調制策略等方面,并對各類拓撲中器件數量與電平關系進行了歸納總結,形成數學表達式。建立了傳統兩電平、二極管鉗位三電平、緊密型七電平逆變器的損耗模型,分別計算了在開關頻率為10kHz、20kHz和50kHz下的損耗值大小。通過電壓外環電流內環的控制方式,建立了單相緊密型七電平逆變器在孤島運行時的仿真模型,最后建立了單相緊密型七電平逆變器在并網運行時的仿真模型。


經過本文的研究,得到如下結論:
(1) 傳統兩電平逆變器的電磁干擾大,du/dt大,設備體積大,開關頻率高,逆變效率低,不適用于高壓系統等,采用多電平逆變器可以有效的解決這些問題。
(2) H橋多電平逆變器的控制較簡單,但需要的獨立直流電壓源數量較多;NPC多電平逆變器的控制簡單,不需要額外的獨立直流電源,但需要較多數量的鉗位二極管;FC多電平逆變器的開關狀態組合多、較靈活,控制較復雜,需要考慮飛跨電容電壓不平衡等問題。
(3) 由于緊密型七電平逆變器的器件數量大于兩電平和三電平,因此功率器件的總導通損耗較大。在開關頻率較低時,導通損耗為主要損耗,因此緊密型七電平逆變器的損耗較大,優勢不明顯。但隨著開關頻率的增大,開關損耗成為主要損耗,這時緊密型七電平逆變器的損耗值最小,優勢明顯。
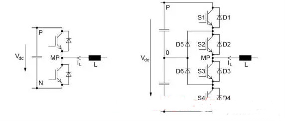
(4) 與傳統的多電平逆變器的相比,緊密型多電平逆變器使用的器件數量最少,開關狀態唯一,控制簡單,設備體積小。
(5) 對單相緊密型七電平逆變器孤島運行時采用電壓外環電流內環的控制策略,使其能夠按照給定的電壓和頻率參考值輸出電壓和頻率;通過對單相緊密型七電平逆變器進行并網仿真,證明了其在并網時的可行性與可靠性。


1.1 下一步工作展望
本文通過學習已有的七電平逆變器以及新型的緊密型七電平逆變器,取得了一定的成果。但是由于時間和作者水平有限,仍有許多的工作待進一步研究。具體說明如下:
(1) 傳統多電平逆變器的學習與仿真中僅僅對部分拓撲進行了電流單閉環的仿真學習,因此只能對器件數量、器件耐壓、器件開關頻率等參數進行學習對比。同時,由于飛跨電容逆變器不能采用傳統的載波層疊方式進行控制,因此可以進一步研究改進型載波層疊法或學習空間電壓矢量控制的控制方法,用于控制飛跨電容逆變器。
(2) 逆變器電平數量越多,輸出諧波含量越小,因此所需要的濾波電感也越小,由濾波電感帶來的損耗也越小。因此,在損耗模型中,還可以建立濾波電感的損耗。這樣可以更加突出多電平逆變器的效率優勢。同時,進行損耗對比時,還可以再建立其它七電平逆變器的損耗模型與緊密型七電平逆變器進行對比。
(3) 在目前的仿真中,暫時只建立了直流源為理想電壓源和接入整流橋時的模型,應繼續建立緊密型七電平逆變器接入光伏系統時的模型將其運用到光伏并網系統中。

烜芯微專業制造二極管,三極管,MOS管,橋堆等20年,工廠直銷省20%,4000家電路電器生產企業選用,專業的工程師幫您穩定好每一批產品,如果您有遇到什么需要幫助解決的,可以點擊右邊的工程師,或者點擊銷售經理給您精準的報價以及產品介紹

烜芯微專業制造二極管,三極管,MOS管,橋堆等20年,工廠直銷省20%,4000家電路電器生產企業選用,專業的工程師幫您穩定好每一批產品,如果您有遇到什么需要幫助解決的,可以點擊右邊的工程師,或者點擊銷售經理給您精準的報價以及產品介紹

