MOS管的結構
以N溝道橫向MOS管為例,其結構如下圖所示,在P型半導體表面有一層薄膜氧化膜,氧化膜上再鍍一層金屬膜。在這層金屬膜上施加一個正向電壓。進一步再添加兩個n+區域分別作為源區和漏區。這樣我們就有了下面這個示意圖。

MOS管一般有三個級,分別是Source源極,Drain漏級和Gate柵極。
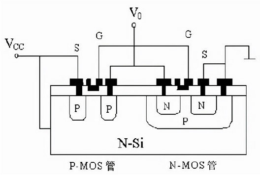
如果在同一個N型襯底上同時制造P溝道MOS管和N溝道MOS管(N溝道MOS管制作在P阱內),這就構成了CMOS。

MOS管分類
MOS管按照溝道中載流子類型分為N溝MOS晶體管和P溝道MOS晶體管。其中N溝道MOS晶體管是襯底為P型,源漏為重摻雜的N=,溝道中載流子為電子;P溝MOS晶體管是襯底為N型,源漏為重摻雜的P+,溝道中載流子為空穴。在正常情況下,只有一種類型的載流子在工作,引出也稱其單極晶體管。
按工作模式分增強型晶體管和耗盡型晶體管。增強型晶體管是指若在零柵壓下不存在漏源導電溝道,為了形成導電溝道,需要施加一定的柵壓,也就是說溝道要通過“增強”才能導通;
而耗盡型晶體管是指器件本身在漏源之間就存在導電溝道,即使在零柵壓下器件也是導通的。若要使器件截止,就必須施加柵壓使溝道耗盡。
按功率分為小信號管和功率管。其中小信號管一般是指耗盡型場效應管,主要用于信號電路的控制;功率管一般是指增強型的場效應管,只要在電力開關電路,驅動電路等。
MOS管的IVcure
MOS管的IVCurve如下圖所示:

其主要分為4個區域,分別為線性區、飽和區、截止區和擊穿區。
MOS管的IVcure解析:線性區,對于固定的Vgs(》Vth),當漏壓很小時,漏電流Ids隨漏壓的增加而線性增加。
但隨著漏壓的增加,漏電流的增加速度不斷減小直到Ids達到某一恒定的飽和值。在這個工作區,MOS表現出類似于電阻的特性,并且隨著柵壓的變化而變化,即溝道電阻隨著柵壓的增加而減小。這個區域也叫可調電阻區。
飽和區,在漏源之間接上電壓Vds,則溝道區的電位從靠近源端的零電位逐漸升高到靠近漏斷的Vds。而柵極的電位是恒定的,所以在溝道從源極到漏極不同位置上,柵極與溝道之間的電位差是不等的,因而溝道不同位置上的表面電場也是不等的。
那么溝道中積累的可動載流子也隨著電位差從源到漏由多到少,溝道也由厚到薄,溝道的導電能力隨之下降,漏源輸岀電流隨Vds上升的速度降下來,故Ids曲線逐漸趨向平緩。
當Vds進一步增大時:Vds>Vgs-Vt,漏端的溝道消失,即漏端的溝道被夾斷,這個夾斷區成了漏源之間電流通路上最大的區域。
在夾斷后Vds的繼續增大都集中在降落夾斷區,因此盡管Vds增大了,溝道兩端的電壓降仍是Vgs-Vt不變。這使得經過溝道漂移進度夾斷區的電子流也基本上不隨Vds的增加而改變,Ids也就不變了,所以曲線幾乎變成直線。
擊穿區,飽和區之后,若Vds進一步增加,晶體管進入擊穿區,Ids隨Vds迅速增大,直至引起漏-襯PN結擊穿,這是由于漏端高電場引起的。
截止區,在該區域,Vgs<Vth,因此漏源之間不存在導電溝道,即Ids=0。但實際上漏源電流并不為0,而是按指數規律隨柵壓變化,通常稱為弱反型電流或亞域值電流。
在弱反型時,P型硅表面變為N型,但這種反型很弱,表面電子濃度低于體內空穴的濃度。由于低的電子濃度沿溝道產生的電場較低,因此亞域值電流主要由載流子擴散引起。
MOSFET的特征
雙邊對稱。在電學性質上源和漏是可以相互交換的。與雙極型晶體管相比,顯然有很大不同,對于雙極型晶體管,如果交換發射極與集電極,晶體管的增益將明顯下降。
單極性。在MOS晶體管中參與導電的只是一種類型的載流子,這與雙極型晶體管相比也顯著不同。在雙極型晶體管中,顯然一種類型的載流子在導電中起著主要作用,但與此同時,另一種載流子在導電中也起著重要作用。
高輸入阻抗。由于柵氧化層的影響,在柵和其他端點之間不存在直流通道,因此輸入阻抗非常高,而且主要是電容性的。通常,MOSFET的直流輸入阻抗可以大于1014歐。
電壓控制。MOSFET是一種電壓控制器件。而且是一種輸入功率非常低的器件。一個MOS晶體管可以驅動許多與它相似的MOS晶體管;也就是說,它有較高的扇出能力。
自隔離。由MOS晶體管構成的集成電路可以達到很高的集成密度,因為MOS晶體管之間能自動隔離。一個MOS晶體管的漏,由于背靠背二極管的作用,自然地與其他晶體管的漏或源隔離。這樣就省掉了雙極型工藝中的既深又寬的隔離擴散。
烜芯微專業制造二極管,三極管,MOS管,橋堆等20年,工廠直銷省20%,4000家電路電器生產企業選用,專業的工程師幫您穩定好每一批產品,如果您有遇到什么需要幫助解決的,可以點擊右邊的工程師,或者點擊銷售經理給您精準的報價以及產品介紹
烜芯微專業制造二極管,三極管,MOS管,橋堆等20年,工廠直銷省20%,4000家電路電器生產企業選用,專業的工程師幫您穩定好每一批產品,如果您有遇到什么需要幫助解決的,可以點擊右邊的工程師,或者點擊銷售經理給您精準的報價以及產品介紹

