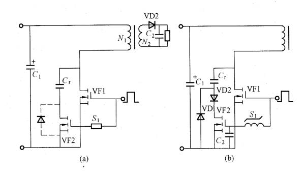
圖(a)所示電路中,VF1是一次側主MOSFET,來自PWM集成控制器的脈沖使其通/斷工作。為使VF2的通/斷時間與VF1相反,增設雙向延時電路S1。現假設VF1為截止狀態,VF2為導通狀態,吸收電容Cr充電到VF1的漏極-源極間電壓,由此,也吸收加在VF1上的浪涌電壓。在由延時電路確定的延時時間后VF2截止,但這時,Cr兩端電壓等于加在VF1上的電壓,因此,為零電壓和零電流開關器件斷開方式。
VF1截止后,二次側二極管VD2的電流降為零,變壓器無勵磁能量。此時一次主繞組N1感應的回掃電壓變為零,以高于C1上電壓進行充電的吸收電容C1對一次主繞組N1反向放電,這樣,放電電流經VF2的寄生二極管(虛線所示)流通。Cr放電開始時,VF2必須截止。由于Cr放電,電容Cr與一次主繞組的電感Lp產生諧振。

(a)原理電路;(b)實用電路

(a)原理電路;(b)實用電路
圖 控制吸收電容充放電的電路圖
若VF2為導通狀態,諧振繼續衰減振蕩,但VF2截止狀態時,電容Cr兩端電壓為零時振蕩停止。若Cr停止諧振,則以VF1和VF2的輸入較小容量電容繼續產生較短周期的諧振。VF1再度導通時,軔小電容放電電流流經VF1本身而消耗掉。VF1導通時,其小容量電容充電的電壓隨導通時間而改變,但Cr兩端電壓降到最低電壓,因此,可以減小Cr產生的損耗。也就是說,即使采用較大容量的電容Cr損耗也不會增大。
圖(a)所示為采用VF2寄生二極管使Cr放電形式的電路。一般的M0S-FET寄生二極管恢復特性不適宜高頻,因此,增設低耗二極管作為電容放電二極管,即圖(b)中的二極管VD1。為使放電電流全部流經二極管VD1,在VF2回路中增加了逆阻斷二極管VD2.逆阻斷二極管VD2的耐壓大于VD1的正向壓降即可,因此,選用肖特基二極管(SBD)。另外,雙向延時元件宜采用可飽和電抗器,延時元件和YF2的輸入電容共同決定延時時間,需要較長延時時間時,可在柵極增接電容。輸出電流一減小,VF1的導通時間就變短。這導通時間若短于延時時間,則VF1截止后,VF2導通,因此,VF1漏極-源極間電壓UDS的波形偏離正常波形,功耗也稍增大。為降低最小輸出電流,延時時間要非常短,這樣,就不能充分有效利用電容Cr。這里,作為大致目標,最小輸出電流設定為最大輸出電流的2%~3%。
烜芯微專業制造二極管,三極管,MOS管,橋堆等20年,工廠直銷省20%,4000家電路電器生產企業選用,專業的工程師幫您穩定好每一批產品,如果您有遇到什么需要幫助解決的,可以點擊右邊的工程師,或者點擊銷售經理給您精準的報價以及產品介紹
烜芯微專業制造二極管,三極管,MOS管,橋堆等20年,工廠直銷省20%,4000家電路電器生產企業選用,專業的工程師幫您穩定好每一批產品,如果您有遇到什么需要幫助解決的,可以點擊右邊的工程師,或者點擊銷售經理給您精準的報價以及產品介紹

