差分放大電路
差分放大電路利用電路參數的對稱性和負反饋作用,有效地穩定靜態工作點,以放大差模信號抑制共模信號為顯著特征,廣泛應用于直接耦合電路和測量電路的輸入級。
但是差分放大電路結構復雜、分析繁瑣,特別是其對差模輸入和共模輸入信號有不同的分析方法,難以理解,因而一直是模擬電子技術中的難點。
差分放大電路:按輸入輸出方式分:有雙端輸入雙端輸出、雙端輸入單端輸出、單端輸入雙端輸出和單端輸入單端輸出四種類型。按共模負反饋的形式分:有典型電路和射極帶恒流源的電路兩種。
(a)射極偏置差放
(b)電流源偏置差放
差放有兩個輸入端子和兩個輸出端子,因此信號的輸入和輸出均有雙端和單端兩種方式。
雙端輸入時,信號同時加到兩輸入端;單端輸入時,信號加到一個輸入端與地之間,另一個輸入端接地。雙端輸出時,信號取于兩輸出端之間;單端輸出時,信號取于一個輸出端到地之間。
因此,差分放大電路有雙端輸入雙端輸出、單端輸入雙端輸出、雙端輸入單端輸出、單端輸入單端輸出四種應用方式。上面兩個電路均為雙端輸入雙端輸出方式。
(a)電阻Re是T1和T2兩管的公共射極電阻,或稱射極耦合電阻,它實際上就是在工作點穩定電路中植入的射極電阻,只是此處將兩個電阻的射極電阻合并成一個Re,所以經它的作用是穩定靜態工作點,對零漂做進一步的抑制。
電阻Re常用等效內阻極大的恒流源I0來代替,以便更有效地提高抑制零漂的作用。
負電源用來補償射極電阻Re兩端的直流壓降,以避免采用電壓過高的單一正電源,并可擴大輸出電壓范圍,使兩基極的靜態電位為零,基極電阻Rb通常為外接元件,也可不用,其作用是限制基極靜態電流并提高輸入電阻。
差分放大器工作狀態

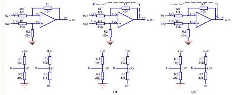
上圖a電路,是輸入信號IN1=IN2的狀態。
(1)因輸入端的“虛斷”特性,同相輸入端為高阻態,其輸入電壓值僅僅取決于R1、R2分壓值,為2V。同相輸入端的2V電壓可以看作成為輸入端比較基準電壓;
(2)因兩輸入端的“虛短”特性,可進而推知其反相輸入端,即R3、R4串聯分壓電路,其b點=a點=2V。這是反饋電壓。放大器的控制目的是使反饋電壓等于基準電壓;
(3)由R1=R3,R2=R4條件可知,放大器輸出端只有處于“虛地”狀態,即輸出端為0V,才能滿足b點=a點=2V,這可以由此導出差分放大器的一個工作特征。
上圖b中的(1)電路,是IN1》IN2的狀態。
(1)此時因同相輸入端電壓高于反相輸入端,輸出端電壓往正方向變化,其R3、R4偏置電路中的電流方向如圖所示;
(2)由R3、R4的阻值比例可知,R3兩端電壓降為(2.8V-1.5V)/10k,則R4兩端電壓降為1.3V×4=5.2V,輸出端電壓為2.8V+5.2V=8V。
(4)此時的輸入電壓差為IN1-IN=2V,輸出電壓為8V。顯然,該差分放大器的差分電壓放大倍數=R4/R3是4倍壓差分放大器。由此可以推知差分放大器的差分輸入放大倍數為(1N1-IN2)×R4/R3=-OUT
上圖b中的(2)電路,是IN1《IN2的狀態。
此時因反同相輸入端電壓高于同相輸入端,輸出端電壓往負方向變化,其R3、R4偏置電路中的電流方向如圖所示。
同樣,依R3、R4的阻值比例可推知,在此輸入條件下,輸出端電壓為-8V,電路依然將輸入差分信號放大了4倍。
從電路的工作(故障)狀態判斷來說,直接測量R3、R4串聯電路的分壓狀態,只要R3、R4串聯分壓是成立的,則電路就大致上(起碼運放芯片)就是好的;
電路的電壓放大倍數也由此得出;只要測量輸入電壓差(R1、R3左端電壓差),再測量輸出端電壓進行比較,則外圍偏置電路的好壞。
〈烜芯微〉專業制造二極管,三極管,MOS管,橋堆等20年,工廠直銷省20%,上萬家電路電器生產企業選用,專業的工程師幫您穩定好每一批產品,如果您有遇到什么需要幫助解決的,可以點擊右邊的工程師,或者點擊銷售經理給您精準的報價以及產品介紹
電話:18923864027(同微信)
QQ:709211280〈烜芯微〉專業制造二極管,三極管,MOS管,橋堆等20年,工廠直銷省20%,上萬家電路電器生產企業選用,專業的工程師幫您穩定好每一批產品,如果您有遇到什么需要幫助解決的,可以點擊右邊的工程師,或者點擊銷售經理給您精準的報價以及產品介紹

