GBJ1510整流橋15A 1000V,GBJ1510封裝為6GBJ/6KBJ,GBJ1510整流橋參數規格書

GBJ1510整流橋參數規格書:點擊下載

GBJ1510整流橋參數具體如下:

Maximum repetitive peak reverse voltage VRRM最大重復峰值反向電壓:1000V
Maximum DC blocking voltage VDC最大直流阻斷電壓:1000V
Maximum average forward rectified current IF(AV) 最大平均正向整流電流:15.0A
Maximum instantaneous forward voltage drop per diode IFM=12.5A VF 12.5A時最大瞬時正向,每個二極管的壓降:1.1V
Maximum DC reverse current at rated DC blocking voltage per diode IRRM VRM=VRRM 最大直流反向電流,每個二極管的額定直流阻斷電壓:10uA
Operating temperature range TJ 工作溫度范圍:-55 to +150°C
storage temperature range TSTG 儲存溫度范圍:-55 to +150°C
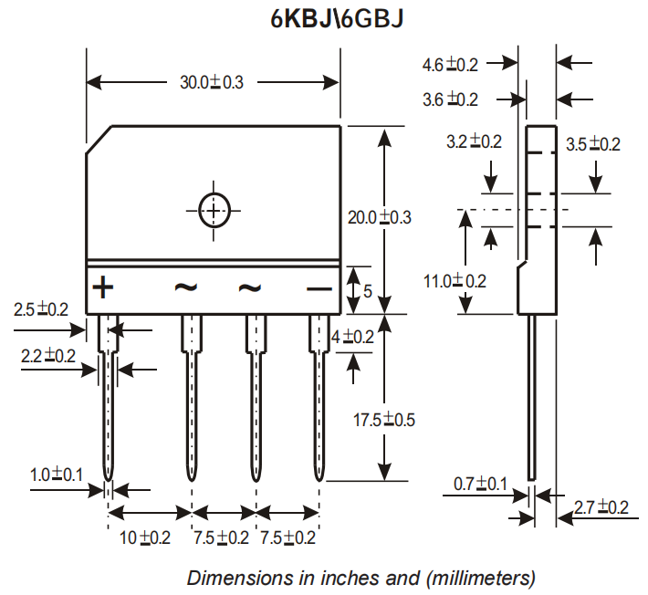
GBJ1510整流橋堆封裝,6GBJ/6KBJ封裝尺寸:

聯系號碼:18923864027(同微信)
QQ:709211280
〈烜芯微/XXW〉專業制造二極管,晶體三極管,MOS管,整流橋堆等,20年,工廠直銷省20%,1500家電路電器生產企業選用,專業的工程師幫您穩定好每一批產品,如果您有遇到什么需要幫助解決的,可以直接聯系上方的聯系號碼或加QQ,由我們的銷售經理給您精準的報價以及產品介紹

