輸出短路保護電路
上電時:C2兩端電壓不能突變,Q2基極電壓由VCC開始下降,下降到Q2可以導通(BE結壓降取0.7V),這個時間大概是0.12mS。但是同時Q1也在起到阻止Q2導通的作用,Q1導通的時間大概是:5.87mS也就是說Q2在5.87mS后才會導通,但是同時C3在阻止Q3的導通,阻止時間是0.17mS。
Q1的作用是延時,使得上電時保護電路不動作。這里的保護電路就是Q2和Q3組成的電路。就是讓Q2處于截止狀態,這樣就可以正常輸出電壓了。Q1的延時,就是拖住Q2的導通時間,讓Q3先導通。
C1決定保護電路通電時保護電路的靈敏度,C1容量不能太大,Q1同樣是為了保護電路的可靠性穩定性而設計的,Q1、R1、R2、C1、D1主要是在電源突變時起了很大的作用。Q3在上電0.17mS后導通,負載得電,Q極電壓達到13.3左右,迫使Q2截至,由此可見Q1可以去掉。

經典輸出短路保護電路
短路時:Q極被拉低,Q2導通,形成自鎖,迫使Q3截止,Q3截至后面負載沒有電壓,這時有沒有負載已經沒有關系了,所以即使拿掉負載也不會有輸出。要想拿掉負載后恢復輸出,可以在Q3得CE結上接一個電阻,取1K左右。
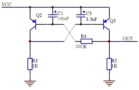
Q2和Q3的電路變換一下就容易看懂了。就是經典的晶體三極管鎖存器。
如下圖:

另外附上一些類似的圖。



〈烜芯微/XXW〉專業制造二極管,三極管,MOS管,橋堆等,20年,工廠直銷省20%,上萬家電路電器生產企業選用,專業的工程師幫您穩定好每一批產品,如果您有遇到什么需要幫助解決的,可以直接聯系下方的聯系號碼或加QQ/微信,由我們的銷售經理給您精準的報價以及產品介紹
聯系號碼:18923864027(同微信)
QQ:709211280

