在開關電源設計中,啟動電路的設計往往會影響開關電源的啟動性能、轉換效率以及在高溫高壓滿載下的穩定性;啟動電路在為系統提供能量的同時,由于自身在極端惡劣情況下的嚴重損耗會給電源的穩定性帶來風險。好的啟動電路只在電源系統啟動時為其提供能量,當系統正常運行后便停止工作。
啟動電路設計
DC-DC開關電源的輸入電壓范圍寬,而電源IC芯片又需要穩定的工作電壓,則啟動電路就需要為IC提供安全穩定的啟動電壓。
如下圖1所示,主要是一個由電阻和穩壓管組成的簡單啟動電路,正常工作下該啟動電路功耗較大,尤其開關電源在高溫環境、輸入高壓、輸出滿載的情況下啟動電路發熱嚴重極易給系統的穩定帶來風險,而且還會降低開關電源的轉換效率。

圖1 簡單啟動電路
因此,啟動電路不適合長時間持續地為電源IC及保護電路提供能量,一般只在系統啟動時刻為其提供能量。當輸出電壓建立后,則由損耗較小的輔助繞組為芯片及保護電路提供能量,而此時的啟動電路需停止工作。
常見啟動電路設計
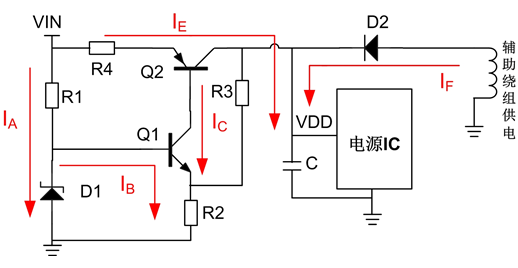
如下圖2所示,為現在開關電源中常用的啟動電路,該電路采用兩個三極管做二級放大,可等效為三端線性穩壓電源,具有啟動速度快、性能安全可靠、輸出電壓建立后立刻停止工作的優點。
輸入電壓VIN為NPN三極管Q1提供IB電流使用它處于放大區,IC為放大電流也為PNP三極管Q2的基極,通過對IC電流的控制,可使Q2處于飽和狀態并以IE的飽和電流向電容C充電,直到Q2處于半截止或半飽和狀態。
此時,電容就等效成一個恒流源為IC芯片提供能量,當電容電壓降到一定值時,啟動電路繼續為電容充電,直到輔助供電有電壓后,才通過電阻R2、R3之間的分壓使Q1處于截止狀態,此時啟動電路才停止工作,之后芯片的供電完全由輔助繞組提供。

圖2 標準啟動電路
如下圖3所示,為圖2電路的實驗波形圖,綠色為IE電流波形,黃色為VDD電壓波形(示波器采用zlgZDS2022)。
從圖中可看出開關電源啟動可分三個階段,第一階段,在電時IE以近似1mA的電流向電容C充電,當VDD電壓達到UCC28C40門限電壓時進入第二階段,此時飽和電流增加至5mA,在為IC供電的同時繼續為電容充電,當輸出電壓建立后進入第三階段,此時IE電流為零,啟動電路停止工作,VDD電壓上升至輔助繞組電壓。
在啟動的整個過程中,IE的電流都是比較小而且比較平緩,所以該電路安全可靠。

圖3 實驗電路波形圖
如何使啟動電路安全可靠
要讓啟動電路安全可靠地運行,除了必要的理論計算以外,更多應該注意的是器件的選擇,謹慎的器件選擇能使電路的真實值更加接近計算的理論值。
穩壓管D1要選擇動態電阻小、膝點低的,這樣能使Q1基極的電位在輸入電壓大幅度變化下保持一個較小的波動,從而使得供電電壓VDD穩定。
電阻R1、R2、R3的電阻值在電路正常工作下盡量取大一些,以減小啟動電路的損耗。R4主要是限制IE電流使得Q2快速達到飽和點,如果在條件允許下Q2的封裝盡量大一點以增強散熱能力。
輔助繞組的電壓也是影響啟動電路穩定的因素,輔助繞組電壓偏低,則會使啟動電路在開關電源帶載時未能完全管斷,Q2管在高溫高壓滿載情況下很可能會因過熱而燒毀;
輔助繞組電壓偏高,在某些異常情況下會使得輔助繞組供電的電壓接近或超過電源IC的額定電壓,對電源IC構成威脅。輔助繞組的電壓過高也會對開關電源的整體效率有一定影響。
〈烜芯微/XXW〉專業制造二極管,三極管,MOS管,橋堆等,20年,工廠直銷省20%,上萬家電路電器生產企業選用,專業的工程師幫您穩定好每一批產品,如果您有遇到什么需要幫助解決的,可以直接聯系下方的聯系號碼或加QQ/微信,由我們的銷售經理給您精準的報價以及產品介紹
聯系號碼:18923864027(同微信)
QQ:709211280

