開關電源有兩種常見的工作模式,就是我們常聽說的PWM模式和PFM模式,一種是普通工作模式,另一種是低功耗工作模式。
PWM:pulse width modulation,是脈沖寬度調制,特點是開關的頻率固定或者說開關周期固定,占空比變化。
PFM:Pulse frequency modulation,是脈沖頻率調制,特點是開關頻率是變化的,或者說開關周期是變化的。
二者的波形對比見下圖。

為什么用PFM模式呢?
這是因為負載根據不同的工作狀態有不同的電流消耗,而且電流差異很大,小電流可能只有幾個mA,大電流有幾百mA甚至幾A,而開關電源由于固定的開關頻率而使得在低負載電流時效率并不高,為了提高電源的效率,降低電源自身在低電流時的開關損耗,就提出了PFM工作模式。

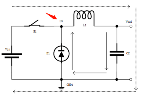
PWM模式時BUCK的管子一直處于開關狀態,電感不斷地充電、放電,而PFM模式時管子只偶爾開關下,俗稱間歇性開關,偶爾給電感充放電一次。
由于PWM模式BUCK的控制管子是連續開關,而PFM模式的管子是間歇性開關,這就導致了二者有個最顯著的差異,即:PFM模式的紋波要大于PWM。
怎么判斷電源工作在PFM還是PWM模式呢?
下圖是某電源的PFM和PWM波形測試結果,第一行是輸出電壓紋波,可以看到PFM模式的紋波要大于PWM模式,第二行是電源開關節點SW位置的電壓波形,可以看到PFM模式時開關導通下就停了,而PWM模式的SW節點是一直處于開關狀態,這個可以作為區分PFM和PWM的標志。
第三行是電感的充放電電流波形,可以看到PFM模式下,電感間歇性的充放電波形,而PWM模式的電感是連續的充放電,這也可以作為區分PFM和PWM模式的標志。

上面波形中PFM模式是間歇性的開關一次,有的情況是間歇性開關多次,比如下圖,第一行是開關節點的波形,就是間歇性的產生開關脈沖序列,從第三行可以看到電感,在開關時電感反復充放電,開關停止則充放電也就停止了。

〈烜芯微/XXW〉專業制造二極管,三極管,MOS管,橋堆等,20年,工廠直銷省20%,上萬家電路電器生產企業選用,專業的工程師幫您穩定好每一批產品,如果您有遇到什么需要幫助解決的,可以直接聯系下方的聯系號碼或加QQ/微信,由我們的銷售經理給您精準的報價以及產品介紹
聯系號碼:18923864027(同微信)
QQ:709211280

