
肖特基二極管封裝,作為一種非常重要的電子元器件,具有很多獨特的特性和優點,可以廣泛應用于各種電子設備中。
今天,我們就來深入了解一下這種神奇的元器件,看看它在現代電子技術中的和作用。
我們需要明確肖特基二極管的基本結構和原理。它由一個P型半導體和一個N型半導體組成,中間夾著一個金屬接觸,形成一個PN結。與普通的PN結二極管不同的是,肖特基二極管的金屬接觸是由一層金屬和一層半導體材料組成的,這就是肖特基勢壘,也是它獨特的特性之一。
肖特基勢壘的存在,使得肖特基二極管具有很多優異的性能。它的反向漏電流很小,可以達到甚至1微安的級別。這意味著在一些低功耗的電子設備中,肖特基二極管可以起到非常重要的作用。它的開關速度很快,響應速度可以達到納秒級別,可以應用于高速開關電路和高頻信號放大器等領域。肖特基二極管還具有低噪聲、低電壓降和高可靠性等特點,可以滿足各種特殊的應用要求。
那么,在現代電子技術中,肖特基二極管有哪些應用呢?它廣泛應用于各種電子設備和電路中,如逆變器、直流/直流轉換器、開關電源、功率放大器等。特別是在一些高溫、高速、高頻、高壓等環境下,肖特基二極管的優異性能更加凸顯。比如,在航空航天、汽車電子、通信等領域,肖特基二極管得到了廣泛的應用。它還可以作為電荷耦合器或者整流器使用,應用于各種傳感器和控制系統中。


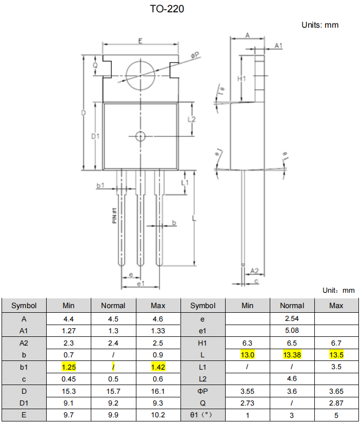
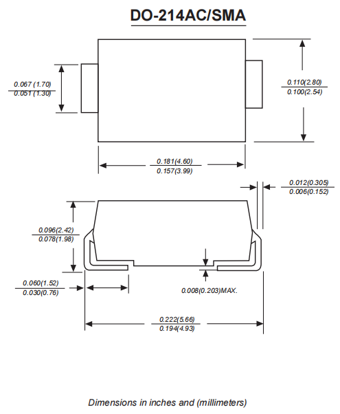
讓我們來看一下肖特基二極管封裝的形式。肖特基二極管的封裝形式多種多樣,常見的有SOD-123、SMA、TO-277、TO-220等封裝形式,根據不同的應用場景和要求,可以選擇不同的封裝形式和規格。隨著現代電子技術的不斷發展,肖特基二極管的封裝形式也在不斷創新和改進,比如COB封裝、CSP封裝、DFN封裝等,可以更好地滿足不同尺寸、功率、溫度等要求。


綜上所述,肖特基二極管封裝作為一種非常重要的電子元器件,具有很多獨特的特性和優點,可以廣泛應用于各種電子設備中。如果你是一名電子工程師或者電子愛好者,一定要學習和掌握肖特基二極管的原理和應用,它將為你的電子設計和帶來很多的幫助和啟示。
〈烜芯微/XXW〉專業制造二極管,三極管,MOS管,橋堆等,20年,工廠直銷省20%,上萬家電路電器生產企業選用,專業的工程師幫您穩定好每一批產品,如果您有遇到什么需要幫助解決的,可以直接聯系下方的聯系號碼或加QQ/微信,由我們的銷售經理給您精準的報價以及產品介紹
聯系號碼:18923864027(同微信)
QQ:709211280

