電容降壓電路原理
電容降壓電路是一種常見的小電流電源電路,具有體積小、成本低、電流相對恒定等優點。
將交流市電轉換為低壓直流的常規方法是采用變壓器降壓后再整流濾波,當受體積和成本等因素的限制時,最簡單實用的方法就是采用電容降壓式電源。電容降壓電路,因其成本低廉、體積小而被廣泛地使用。


電容降壓式簡易電源的基本電路上圖,C1為降壓電容器,D2為半波整流二極管,D1在市電的負半周時給C1提供放電回路,D3是穩壓二極管,R1為關斷電源后C1的電荷泄放電阻。
利用電容在一定的交流信號頻率下產生的容抗來限制最大工作電流,因負載阻抗不是很大,而認為此時的電容為一個恒流源為負載供電。
電容的取值一般在0.33~3.3uF之間,針對我國220V/50Hz市電,利用容抗計算公式:Xc=1/(2pifC),可得其容抗在965Ω~9.65kΩ范圍內,較一般負載阻抗來說,已遠遠大于其值。
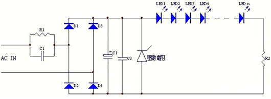
電容降壓LED驅動電路
下圖為采用電容降壓的LED驅動電路實例。


請注意,大部分應用電路中沒有連接壓敏電阻或瞬變電壓抑制晶體管,建議連接上,因壓敏電阻或瞬變電壓抑制晶體管能在電壓突變瞬間( 如雷電,大用電設備起動等)有效地將突變電流泄放,從而保護二級關和其它晶體管,它們的響應時間一般在微毫秒級。
電阻R1為泄放電阻,其作用為:當正弦波在最大峰值時刻被切斷時,電容C1上的殘存電荷無法釋放,會長久存在。 在維修時如果人體接觸到C1的金屬部分,有強烈的觸電可能,而電阻R1的存在,能將殘存的電荷泄放掉。 從而保證人、機安全。 泄放電阻的阻值與電容的大小有關,一般電容的容量越大,殘存的電荷就越多。 泄放電阻就阻值就要選小些。
經驗數據如下表,供設計時參考:


壓敏電阻(或瞬變電壓抑制晶體管)的作用是將輸入電源中瞬間的脈沖高壓電壓對地泄放掉,從而保護LED不被瞬間高壓擊穿。
LED串聯的數量視其正向導通電壓Vf而定﹐在220VAC電路中,最多可以達到80個左右。
采用電容降壓的鋰電池充電電路

〈烜芯微/XXW〉專業制造二極管,三極管,MOS管,橋堆等,20年,工廠直銷省20%,上萬家電路電器生產企業選用,專業的工程師幫您穩定好每一批產品,如果您有遇到什么需要幫助解決的,可以直接聯系下方的聯系號碼或加QQ/微信,由我們的銷售經理給您精準的報價以及產品介紹

〈烜芯微/XXW〉專業制造二極管,三極管,MOS管,橋堆等,20年,工廠直銷省20%,上萬家電路電器生產企業選用,專業的工程師幫您穩定好每一批產品,如果您有遇到什么需要幫助解決的,可以直接聯系下方的聯系號碼或加QQ/微信,由我們的銷售經理給您精準的報價以及產品介紹
聯系號碼:18923864027(同微信)
QQ:709211280

