一、OD門概述
OD門的輸出端具備拉低能力,卻無法主動拉高,處于高阻態時無電信號輸出。其構造通常包含一個開漏輸出的晶體管以及一個輸入端,能夠完成與門、或門、非門等基礎邏輯運算。
##二、工作原理闡述
OD門輸出端可借助上拉電阻或上拉電源實現電平拉高,進而完成高低電平轉換。類似于OC門,OD門輸出端允許多個門并聯,構成開關電路以操控外部器件運行。它適用于需輸出高、低電平的多種場景,例如數字信號的放大、隔離、反相以及驅動等。
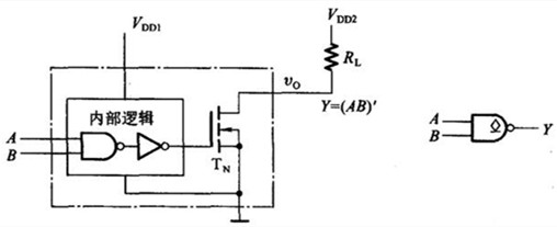
三、漏極開路的與非門


在CMOS門電路中,漏極開路設計指的是輸出電路僅配置NMOS管,且漏極常規連接VDD(中間含上拉電阻Rp)。將OD門輸出端直接相連,能夠達成OD門間的與運算。具體連接示意圖如下:


采用漏極開路的與非邏輯符號圖可表示上述連接關系:


四、OD門的重要作用
實現線與,規避大電流:在特定電路連接方式下,OD門能實現線與功能,同時有效防止大電流產生,保障電路穩定運行。
電平變換:具備輸出電平變換能力,即實現邏輯非功能。需注意的是,無論輸出高低電平,電流流向均為流入。


驅動大電流負載:OD門能夠驅動對電流需求較大的負載,拓寬其應用場景。
〈烜芯微/XXW〉專業制造二極管,三極管,MOS管,橋堆等,20年,工廠直銷省20%,上萬家電路電器生產企業選用,專業的工程師幫您穩定好每一批產品,如果您有遇到什么需要幫助解決的,可以直接聯系下方的聯系號碼或加QQ/微信,由我們的銷售經理給您精準的報價以及產品介紹
聯系號碼:18923864027(同微信)
QQ:709211280

